SKF BEARING

SKF Combined needle roller bearing  NKX15

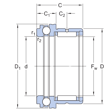
SKF combined needle roller bearings consist of a radial needle roller bearing combined with a thrust bearing. They can accommodate both radial and axial loads. They are particularly suitable for applications where other types of locating bearing arrangements occupy too much space, or where the axial loads are too heavy, the speeds are too high, or the lubricant is inadequate for arrangements with simple thrust washers. SKF supplies combined needle roller bearings in three basic designs:

Needle roller / angular contact ball bearings
Needle roller / thrust ball bearings
Needle roller / cylindrical roller thrust bearings

Get A Quote
Contact Us

SKF Combined needle roller bearing/ with thrust rolling bearings

Various part numbers in stock, welcome inquiry. Fast shipment within 2-3 working days.

Designation Principal dimensions Basic load ratings Speed ratings
radial dynamic radial static axial dynamic axial static Reference speed Limiting speed
Fw[mm] D[mm] C[mm] C[kN] C0[kN] C[kN] C0[kN] [r/min] [r/min]
  NKX10TN   10   19   23   5.94   8   9.95   15.3   28 000   32 000
  NKX10ZTN   10   19   23   5.94   8   9.95   15.3   28 000   32 000
  NKX12   12   21   23   9.13   12   10.4   16.6   9 000   13 000
  NKX12Z   12   21   23   9.13   12   10.4   16.6   9 000   7 500
  NKX15   15   24   23   11   14   10.6   18.3   8 500   12 000
  NKX15Z   15   24   23   11   14   10.6   18.3   8 500   7 000
  NKX17   17   26   25   12.1   16.6   10.8   19.6   8 500   12 000
  NKX17Z   17   26   25   12.1   16.6   10.8   19.6   8 500   7 000
  NKX20   20   30   30   16.5   25.5   14.3   27   7 500   10 000
  NKX20Z   20   30   30   16.5   25.5   14.3   27   7 500   6 000
  NKX25   25   37   30   19   32.5   19.5   40.5   6 300   9 000
  NKX25Z   25   37   30   19   32.5   19.5   40.5   6 300   5 500
  NKX30   30   42   30   22.9   38   20.3   45.5   6 000   8 500
  NKX30Z   30   42   30   22.9   38   20.3   45.5   6 000   5 000
  NKX35   35   47   30   24.6   45   21.2   51   5 600   7 500
  NKX35Z   35   47   30   24.6   45   21.2   51   5 600   4 500
  NKX40   40   52   32   26.4   51   27   68   5 000   7 000
  NKX40Z   40   52   32   26.4   51   27   68   5 000   4 000
  NKX45   45   58   32   27.5   57   28.1   75   4 500   6 300
  NKX45Z   45   58   32   27.5   57   28.1   75   4 500   3 800
  NKX50   50   62   35   38   78   28.6   81.5   4 300   6 300
  NKX50Z   50   62   35   38   78   28.6   81.5   4 300   3 600
  NKX60   60   72   40   41.8   96.5   41.6   122   3 600   5 000
  NKX60Z   60   72   40   41.8   96.5   41.6   122   3 600   3 000
  NKX70   70   85   40   44.6   98   43.6   137   3 400   4 500
  NKX70Z   70   85   40   44.6   98   43.6   137   3 400   2 700
  NKXR15   15   24   23   11   14   11.2   27   4 300   8 500
  NKXR15Z   15   24   23   11   14   11.2   27   4 300   8 500
  NKXR17   17   26   25   12.1   16.6   12.2   31.5   4 300   8 500
  NKXR17Z   17   26   25   12.1   16.6   12.2   31.5   4 300   8 500

WHCD Bearing Co.,Ltd is professional bearing supplier, engaged in bearing business with more than eighteen years, export to worldwide countries, as America, European, Middle-East, Southeast Asia …etc. with plenty long-term cooperation customers. WHCD Bearing company will provide professional and prompt solution for customers.Original Quality and Warranted, and Bearing experts team support customer service. Various bearing types for customer choose:  

Bearing Types:
Self-aligning ball bearing
Cylindrical roller bearing
Spherical roller bearing
Tapered roller bearing
Angular contact ball
Needle roller
Deep groove ball bearing
Axial deep groove ball
Pillow block bearing and units
LM/Linear Guide
Product Inquiry Form
Scroll to Top