SKF BEARING

SKF Single Row Cylindrical Roller Bearings  RNU203ECP

SKF single row cylindrical roller bearings are available in many designs, series and sizes. The major design differences between the bearings presented in this section are in:

The cage design and material
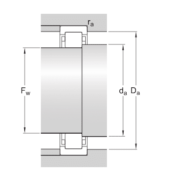
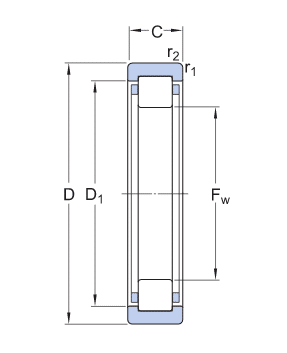
The configuration of the inner and outer ring flanges (fig. 1).

SKF Cylindrical roller bearings are available in a wide range of designs, series, variants and sizes. The main design differences are the number of roller rows and the inner/outer ring flanges as well as cage designs and materials.The bearings can meet the challenges of applications faced with heavy radial loads and high speeds. Accommodating axial displacement (except for bearings with flanges on both the inner and outer rings), they offer high stiffness, low friction and long service life.

 

Get A Quote
Contact Us

SKF Single Row Cylindrical Roller Bearings ( without an inner ring).

Various part numbers in stock, welcome inquiry. Fast shipment within 2-3 working days.

Designation Principal dimensions Basic load ratings Speed ratings
dynamic static Reference speed Limiting speed
Fw[mm] D[mm] C[mm] C[kN] C0[kN] [r/min] [r/min]
  RNU202ECP   19.3   35   11   12.5   10.2   22 000   26 000
  RNU203ECP   22.1   40   12   20   14.3   19 000   22 000
  RNU2203ECP   22.1   40   16   27.5   21.6   19 000   22 000
  RNU203 TN9   22.9   40   12   11.7   9.5   19 000   22 000
  RNU204ECP   26.5   47   14   28.5   22   17 000   19 000
  RNU204   27   47   14   14.7   12   16 000   19 000
  RNU2304ECP   27.5   52   21   47.5   38   15 000   18 000
  RNU304   28.5   52   15   20.5   16.6   15 000   18 000
  RNU205ECP   31.5   52   15   32.5   27   15 000   16 000
  RNU2205ECP   31.5   52   18   39   34   14 000   16 000
  RNU305   35   62   17   28.6   24.5   12 000   15 000
  RNU206ECP   37.5   62   16   44   36.5   13 000   14 000
  RNU2206ECP   37.5   62   20   55   49   13 000   14 000
  RNU1007ECP   42   62   14   41.5   38   11 000   13 000
  RNU306   42   72   19   36.9   33.5   10 000   12 000
  RNU207ECJ   44   72   17   56   48   10 000   12 000
  RNU207ECP   44   72   17   56   48   11 000   12 000
  RNU2207ECJ   44   72   23   69.5   63   10 000   12 000
  RNU2207ECP   44   72   23   69.5   63   11 000   12 000
  RNU307ECP   46.2   80   21   75   63   9 500   11 000
  RNU208ECP   49.5   80   18   62   53   9 500   11 000
  RNU2208ECJ   49.5   80   23   81.5   75   9 500   11 000
  RNU2208ECP   49.5   80   23   81.5   75   9 500   11 000
  RNU308ECJ   52   90   23   93   78   8 000   9 500
  RNU308ECP   52   90   23   93   78   8 000   9 500
  RNU1009ECP   52.5   75   16   52   52   9 000   11 000
  RNU209ECP   54.5   85   19   69.5   64   9 000   9 500
  RNU2209ECP   54.5   85   23   85   81.5   9 000   9 500
  RNU1010ECP   57.5   80   16   53   56   8 000   9 500
  RNU309ECP   58.5   100   25   112   100   7 500   8 500

WHCD Bearing Co.,Ltd is professional bearing supplier, engaged in bearing business with more than eighteen years, export to worldwide countries, as America, European, Middle-East, Southeast Asia …etc. with plenty long-term cooperation customers. WHCD Bearing company will provide professional and prompt solution for customers.Original Quality and Warranted, and Bearing experts team support customer service. Various bearing types for customer choose:  

Bearing Types:
Self-aligning ball bearing
Cylindrical roller bearing
Spherical roller bearing
Tapered roller bearing
Angular contact ball
Needle roller
Deep groove ball bearing
Axial deep groove ball
Pillow block bearing and units
LM/Linear Guide
Product Inquiry Form
Scroll to Top