NTN Sealed Double Row Cylindrical Roller Bearings.
various part numbers in stock, welcome inquiry. Fast shipment within 2-3 working days.
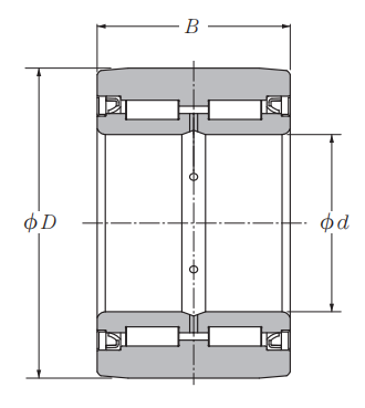
|
Part Number |
Basic Dimensions mm d D B |
Basic Dynamic Load Rating Cr |
Basic Static Load Rating kN Cor |
|
| SLX120×210×114 | 120 210 114 | 500 1120 | ||
| SLX120×210×132 | 120 210 132 | 580 1360 | ||
| SLX130×210×132 | 130 210 132 | 500 1640 | ||
| SLX130×210×150 | 130 210 150 | 600 1810 | ||
| SLX140×210×130 | 140 210 126 | 420 1310 | ||
| SLX160×250×140 | 160 250 140 | 605 1930 | ||
WHCD Bearing Co.,Ltd is professional bearing supplier, engaged in bearing business with more than eighteen years, export to worldwide countries, as America, European, Middle-East, Southeast Asia …etc. with plenty long-term cooperation customers. WHCD Bearing company will provide professional and prompt solution for customers.Original Quality and Warranted, and Bearing experts team support customer service. Various bearing types for customer choose:
Bearing Types:
Self-aligning ball bearing
Cylindrical roller bearing
Spherical roller bearing
Tapered roller bearing
Angular contact ball
Needle roller
Deep groove ball bearing
Axial deep groove ball
Pillow block bearing and units
LM/Linear Guide

![CGRORXBPC6{W{6G)]NC78MW](https://whcdbearings.com/wp-content/uploads/2023/06/CGRORXBPC6W6GNC78MW.png)

